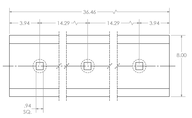
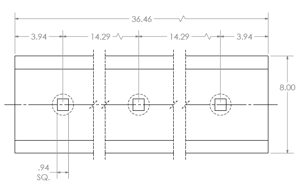
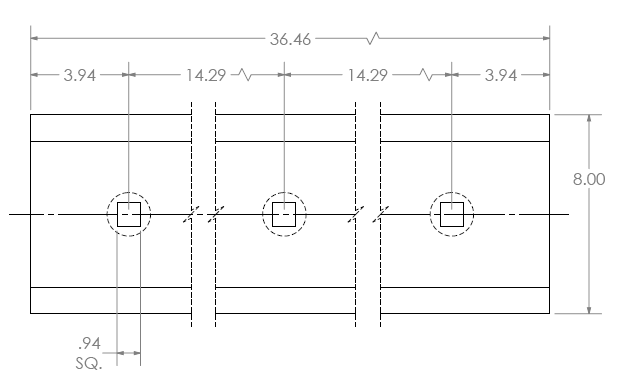
HRLO Rollout Bucket Cutting Edge 3 Piece 36.46" Each
HRLO Rollout Bucket Cutting Edge 3 Piece 36.46" Each
Regular price
$1,530.00 USD
Regular price
Sale price
$1,530.00 USD
Unit price
per
Couldn't load pickup availability
3 Piece Cutting 36.46" each. Price Includes new hardware. Please confirm fitment in drawing. Shipped Truck Freight only. Shipping will be added if ordered online. 2 Week Lead Time
